0
About
| 關於
News
| 最新消息
Product
| 產品
品牌
Lauxes Grates
IB
cea
GSI
INAX
LIXIL
Amica
Rinnai
YATIN
SANEI
AXOR
BOSCH
STOSA
Blue Sky
JUSTIME
TOYOURA
Hansgrohe
CATALANO
FUKUSHIN
MITSUBISHI
American Standard
Hennessy & Hinchcliffe
龍頭
面盆龍頭
衛浴龍頭
單槍龍頭
壁出龍頭
自動感應龍頭
面盆
檯面盆
上嵌面盆
下嵌面盆
壁掛面盆
一體成型盆
面盆浴櫃組
不鏽鋼浴櫃系列
50CM不鏽鋼浴櫃
60CM不鏽鋼浴櫃
70CM不鏽鋼浴櫃
80CM不鏽鋼浴櫃
90CM不鏽鋼浴櫃
100CM不鏽鋼浴櫃
120CM不鏽鋼浴櫃
150CM不鏽鋼浴櫃
180CM不鏽鋼浴櫃
淋浴相關
軟管
沖洗器
沐浴柱
升降滑桿
調溫控制閥
手持蓮蓬頭
外露蓮蓬頭/花灑
馬桶
單體馬桶
分體馬桶
智能馬桶
緩降馬桶蓋
免治馬桶座
馬桶相關零配件
浴缸
獨立浴缸
壓克力嵌入式浴缸
浴缸落水兼出水頭
廚具相關
廚具龍頭
廚具水槽
廚房五金
杯架
水槽
砧板架
紙巾架
刀柄架
餐具架
海綿架
調味罐架
水槽碗盤籃
碗盤置物架
鍋子、鍋蓋架
廚用小物、配件
電器商品
烘碗機
紅酒櫃
洗碗機
瓦斯爐
IH感應爐
排油煙機
蒸烤箱/烤箱
電熱毛巾架
浴廁暖風機
移動式插座
炊飯器收納櫃
電動升降收納櫃
客製化商品
客製浴室櫃
客製藝術鏡
客製沐浴門
綜合商品
地排/地漏
衛浴五金
鏡子
置物架
香皂架
皂液瓶
掛衣勾
毛巾掛桿
牙刷杯架
馬桶刷架
吹風機架
安全扶手
毛巾置物架
鏡子平台架
衛生紙、面紙架
霧黑系列
絲光系列
落水頭
五金配件、小物
環保垃圾桶
腳踏式環保垃圾桶
電子感應式環保垃圾桶
修繕五金
超耐磨木地板
Performance
| 案例分享
硯築設計-亞果會所
時驛精品旅館
透天別墅x硯城
柏居精品民宿
長榮商辦住宅
席揚善化LM特區
由里設計x歸仁華廈
皇普文苑
鄭董華廈
信美建設平豐招待所
宗大-霞飛
榮興鬱金香酒店
九硯建設VILLA
Sale
| 特惠
IB
INAX
DURAVIT
DAY & DAY
Hennessy & Hinchcliffe
Catalogue
| 型錄
CATALANO
BOSCH
INAX
AXOR
Hansgrohe
GSI ShowRoom
KQ BATHROOM
Contact Us
| 聯絡我們
Ordering Steps
| 購物說明
American Standard
首 頁
American Standard
American Standard CL20075
Acacia Evolution 單體馬桶
American Standard CL20075
Acacia Evolution 單體馬桶
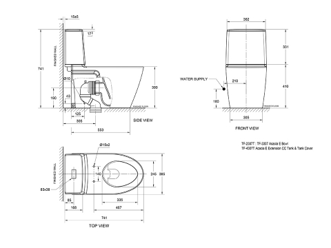
型號:CL20075
系列:Acacia Evolution
尺寸:L747xW385xH654 mm
排水距離:305mm
沖水水量:大 4.8L / 小 2.6L
雙龍捲沖淨、金級省水
特點:高效節省水技術;舒適坐圈較大的表面積易於使用
原價:
43400
優惠價:
32550
數量:
加入購物車
立即購買
商品詳情
精品衛浴
·
進口廚具
·
超耐磨地板
·
台南進口衛浴設備推薦
·
台南訂製無框淋浴門
·
Day&Day五金配件
·
台南義大利頂級廚具
×
小叮嚀
購物車沒有任何商品